广西机电设备招标有限公司受广西中烟工业有限责任公司的委托,于2022年3月3日就南宁卷烟厂职业危害因素检测服务(重)(项目编号:0633-214042118571C1)采用公开招标方式进行招标。现就本次招标的结果公告如下:
一、招标项目名称:南宁卷烟厂职业危害因素检测服务(重)。
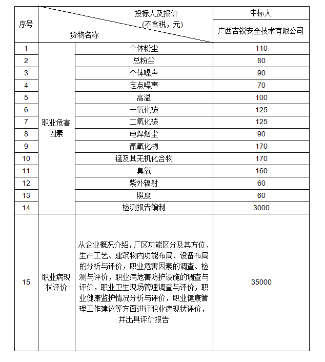
二、招标项目简要说明:(1)南宁卷烟厂职业危害因素检测,(2)南宁卷烟厂职业病现状评价,详见招标文件。
三、招标公告媒体及日期:于2022年2月10日在中国招标投标公共服务平台、烟草行业招投标信息平台、广西中烟工业有限责任公司网、广西招标采购网上发布。
四、评标信息:
评标日期:2022年3月3日
评标地点:南宁市金湖路63号金源CBD现代城7层广西机电设备招标有限公司评标室
五、招标结果信息:
中标人:广西吉锐安全技术有限公司
不含税中标单价:详见附件
发票类型及开票税率:增值税专用发票,税率6%
六、联系事项:
招标代理机构联系人:廖俐娜、苏畅
电话:0771-2833821、2833580
广西机电设备招标有限公司
2022年3月14日


桂公网安备 45010702000134号